Hey all,
I'm Steve- I just bought an 88' Supra Mariah with a 454 and I'm pretty stoked to be apart of the supra community!
She does need some work... as all boats usually do. Actually, I'm pretty sure i bought a floating project. I'm a first time boat owner and while I'm pretty mechanically inclined, I figured I'd see if I couldn't pick some brains on the best way to do things.
My first concern is the floor. Everything seems solid on the Port side of the boat. The Starboard side, under the steering wheel is a mess. Looks like a repair was mickymoused. Behind the drivers seat, there is a couple of soft spots as well. The stringers still felt pretty strong when i checked the bolts on the motor mounts. Obviously its hard to tell anything until the seats and carpet are out.
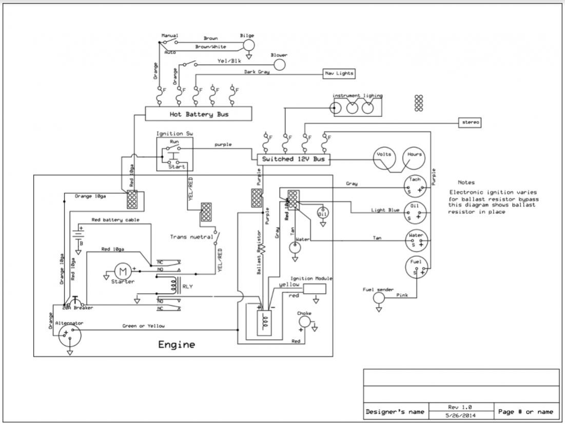
I also am looking for a good wiring diagram for the boat. when i purchased it, the guy had the wires from the coil and distributor all unhooked, and had it rigged to a motorcycle battery to get it to start.. i should have taken pics but I am super confused how he did it.. I put a new battery in it and i have no power to anything on the dash or to the motor... I looked under the dash and the key switch has some really crazy wiring going on in there...
i guess the big question is... where do i start... ??! I assume pulling the interior and the floor is probably the best to begin this massive project..
any input would be great.
thanks,
Steve

